PE Abfluss Gummi Dichtung für Boden-WC-Muffe
Verfügbarkeit: sofort
|
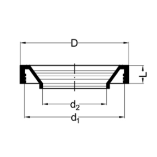
| d2 = Anschlussmaß Dichtung = NBR Nutzen Sie bei größeren Mengen, die Projektanfrage - Funktion im Aufklappmenue. |
|
|
||||||||||||||||||||||||||||||
Hinweis:
Für diesen Artikel kann kein Gesamtpreis berechnet werden. Daher wird aus Ihrem Warenkorb eine Anfrage und Sie erhalten von uns schnellstens ein Angebot mit allen Preisangaben, bevor Sie verbindlich bestellen. |
||||||||||||||||||||||||||||||||||||||||||||||||||||
PE-Abflussrohre - Qualität, Zuverlässigkeit und Effizienz für Ihre Entwässerungslösungen |
|
Unser Lieferprogramm umfasst PE-Abflussrohre, die gemäß DIN EN 1519 hergestellt werden. Diese europäische Produktnorm hat seit Januar 2001 die nationale Norm DIN 19535 für Rohre und Formteile zum Ableiten von Abwässern innerhalb der Gebäudestruktur abgelöst. Zusätzlich ist die nationale Anwendungsnorm DIN 1986 durch die europäische Norm DIN EN 12056 ersetzt worden, wobei fehlende Regelungen in der nationalen Restnorm DIN 1986-100 geregelt werden. Gemäß DIN EN 12056 erfolgt die DN-Zuordnung der Abflussrohre anhand des tatsächlichen Innendurchmessers, der vom Hersteller angegeben wird. Die Nennweite, die immer dem größten Außendurchmesser entspricht, ist nicht mehr die maßgebliche Größe. Diese hydraulischen Werte basieren auf dem angegebenen Innendurchmesser gemäß DIN EN 12056. Es ist zu beachten, dass die Norm DIN EN 12056 ausschließlich für schwerkraftbetriebene Entwässerungsanlagen innerhalb der Gebäudestruktur gilt. Entwässerungsleitungen außerhalb des Gebäudes bis zur Grundstücksgrenze unterliegen den Normen DIN EN 752 und DIN EN 1610 sowie gegebenenfalls den ATV-Richtlinien A127, A139 und A142. Unser PE-Abflussrohr-Lieferprogramm umfasst folgende DN/OD-Größen in mm, de (Außendurchmesser) und e (Wanddicke) für die Rohrreihe S16: - DN/OD 40: de 40 mm, e 3,0 mm, Anwendungsbereich BD - DN/OD 50: de 50 mm, e 3,0 mm, Anwendungsbereich BD - DN/OD 56: de 56 mm, e 3,0 mm, Anwendungsbereich BD - DN/OD 63: de 63 mm, e 3,0 mm, Anwendungsbereich BD - DN/OD 75: de 75 mm, e 3,0 mm, Anwendungsbereich BD - DN/OD 90: de 90 mm, e 3,5 mm, Anwendungsbereich BD - DN/OD 110: de 110 mm, e 4,2 mm, Anwendungsbereich BD - DN/OD 125: de 125 mm, e 4,8 mm, Anwendungsbereich BD - DN/OD 160: de 160 mm, e 6,2 mm, Anwendungsbereich BD - DN/OD 200: de 200 mm, e 6,2 mm, Anwendungsbereich B (S16) - DN/OD 250: de 250 mm, e 7,7 mm, Anwendungsbereich B (S16) - DN/OD 315: de 315 mm, e 9,7 mm, Anwendungsbereich B (S16) Die genannten Werkstoffeigenschaften dienen als Richtwerte und können je nach Verarbeitungsverfahren variieren. Daher können sie nicht direkt auf Fertigteile übertragen werden. Hier sind einige wichtige Werkstoffeigenschaften von PE-Abflussrohren:- Dichte: 0,954 g/cm³ - Streckspannung bei 23°C: 22 MPa - Zug-E-Modul bei 23°C: 850 MPa - Längenausdehnung: 0,13-0,19 mm/m°C - Kerbschlagzähigkeit bei 23°C: 12 kJ/mm² - Wärmeleitfähigkeit: 0,38-0,43 W/m°C - Reißdehnung: 300% - MFR 190/5: 0,43 g/10min Bitte beachten Sie, dass diese Angaben als allgemeine Richtwerte zu verstehen sind und von den spezifischen Eigenschaften der verwendeten PE-Abflussrohre abweichen können. Bei konkreten Anwendungen empfehlen wir, die technischen Daten des Herstellers zu berücksichtigen und gegebenenfalls weitere Informationen einzuholen. Unser Team mit langjähriger Erfahrung im Bereich der PE-Abflussrohre steht Ihnen gerne zur Verfügung, um Ihre Fragen zu beantworten und Sie bei der Auswahl des richtigen Produkts zu unterstützen. Zögern Sie nicht, uns unter der Telefonnummer 0049 2602 999730 zu kontaktieren. |
|
|
Ihre Wünsche, unsere Lösungen - Ein umfangreiches Lieferprogramm nach Maß. |
Partnerschaft auf höchstem Niveau |
|
|
|
|
|
|
|